|
 |
|
|
|
 |
| 电 话:0533-4505908 |
| 传 真:0533-4518123 |
| 手 机:13070693507 18653389815 |
| 邮 箱:ndmzkb@163.com |
| 网 址:www.ndmzkb.com |
| 地 址:淄博市博山区东外环 |
|
|
 |
|
| W、WY系列往复式真空泵 |
|
|
|
|
|
| W、WY系列往复式真空泵是获得粗真空的主要设备,使用于炼油、颜料、塑料、肥皂、食品、制糖、制药等方面的蒸发结晶、干燥过滤;建筑方面的混凝土作业;冶金工业中的真空除气及其它部门需要的低压、低温作业。 |
 W3往复式真空泵安装尺寸图:

WY-50(V5)、WY-100(W4)、WY-200(W5)往复式真空泵安装尺寸图:

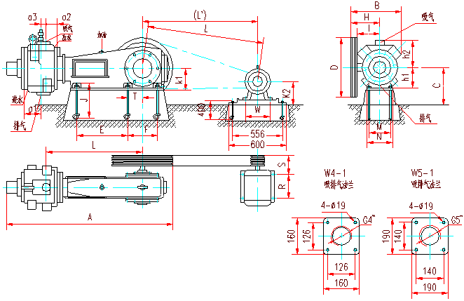
W4-1、W5-1往复式真空泵安装尺寸图:

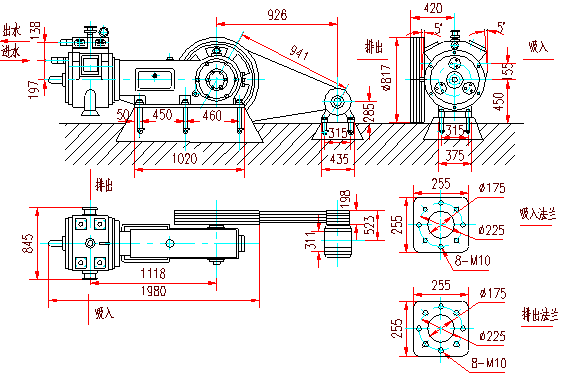
W300往复式真空泵安装尺寸图:

|
| 代号 |
A |
B |
C |
D |
E |
F |
G |
H |
I |
J |
K |
L |
L' |
l |
三角带型号 |
| WY-50(V5) |
1435 |
624 |
375 |
707 |
430 |
260 |
815 |
282 |
198 |
400 |
186 |
808 |
787 |
882 |
B型 L=2997 |
| WY-100(W4) |
1819 |
876 |
500 |
892 |
520 |
330 |
1031 |
481 |
356 |
630 |
220 |
1388 |
1359 |
1102 |
B型 L=4500 |
| WY-200(W5) |
2357 |
1010 |
680 |
1162 |
655 |
400 |
1256 |
418 |
254 |
630 |
260 |
1360 |
1293 |
1397 |
C型 L=5000 |
| W3 |
1418 |
630 |
400 |
640 |
430 |
260 |
815 |
283 |
115 |
400 |
186 |
910 |
886 |
882 |
B型 L=3048 |
| W4-1 |
1486 |
520 |
400 |
537 |
430 |
260 |
815 |
300 |
150 |
400 |
186 |
956 |
939 |
832 |
C型 L=3023 |
| W5-1 |
1805 |
670 |
500 |
542 |
520 |
330 |
1035 |
383 |
213 |
630 |
220 |
935 |
904 |
1026 |
C型 L=3048 |
| 代号 |
M |
N |
T |
W |
R |
S |
a1 |
a2 |
b1 |
b2 |
h1 |
h2 |
k2 |
泵地脚螺栓 |
导轨地脚螺栓 |
| WY-50(V5) |
200 |
260 |
130 |
216 |
140 |
179 |
171 |
171 |
115 |
241 |
154 |
202 |
192 |
M16×400 |
M16×400 |
| WY-100(W4) |
260 |
326 |
165 |
254 |
254 |
243 |
216 |
216 |
140 |
337 |
244 |
272 |
220 |
M20×630 |
M16×400 |
| WY-200(W5) |
290 |
370 |
200 |
318 |
305 |
307 |
300 |
300 |
430 |
430 |
299 |
299 |
260 |
M24×630 |
M16×400 |
| W3 |
200 |
260 |
130 |
216 |
140 |
179 |
171 |
171 |
115 |
241 |
154 |
202 |
192 |
M16×400 |
M16×400 |
| W4-1 |
200 |
260 |
130 |
256 |
210 |
229 |
171 |
121 |
a3:50 |
260 |
260 |
220 |
M16×400 |
M16×400 |
| W5-1 |
260 |
326 |
165 |
318 |
305 |
307 |
230 |
147 |
a3:83 |
325 |
325 |
260 |
M20×630 |
M16×400 |
|
|
| |
| |
|