联系电话:0533-4512921
返回首页 | 设为首页 | 加入收藏
首页 关于我们 新闻中心 产品中心 企业文化 产品知识 销售网络 应用现场 产品知识 联系我们
电   话:0533-4505908
传   真:0533-4518123
手   机:13070693507 18653389815
邮  箱:ndmzkb@163.com
网  址:www.ndmzkb.com
地  址:淄博市博山区东外环
2BEA系列水环式真空泵及压缩机

                 

2BEA系列水环真空泵及压缩机主要特性
最低吸入绝压:33hPa,160hPa
抽气速率:2.8~353m3/min
电机功率:11~560kW
产品标准:Q/FP201.1-201.3-89(epv DIN28431)
传动方式:电机直联、电机皮带传动

用途及特点:

  2BEA系列水环真空泵及压缩机,是我公司研制开发的高效节能产品。

  本系列泵为单级单作用结构形式,具有结构简单,维修方便,运行可靠,高效节能的优点。相对于目前国内广泛使用的SK、2SK、SZ系列水环式真空泵具有真空度高、功耗低、运行可靠等显著优点,是SK、2SK、SZ系列水环式真空泵的理想替代产品。

  2BEA系列水环式压缩机为低压压缩机,作为压缩机使用时排气压力为表压约0.1MPa,详细参数请参照样本。

  我公司生产的2BEA系列水环式真空泵及压缩机结构主要特点如下:

轴承全部采用NSK或NTN原装进口轴承,保证了2BEA真空泵的叶轮精确定位及运转过程中的高稳定性。
叶轮材质全部采用球墨铸铁铸造或钢板焊接,充分保证了2BEA真空泵叶轮在各种恶劣工况下的稳定性,且大大提高了2BEA真空泵的使用寿命。
泵体全部采用钢板制作,提高了2BEA真空泵的使用寿命。
2BEA真空泵的轴套作为最易损坏的零件,本公司全部采用高铬不锈钢制作,比普通材质寿命提高了5倍。
皮带轮(皮带传动)采用标准高精度锥套皮带轮,运行可靠,皮带寿命长,拆卸方便。
联轴器(直联传动)采用标准高强度弹性联轴器,弹性元件采用聚氨酯材质,运行稳定可靠,使用寿命长。
独特的上置式气水分离器节约空间,并有效降低了噪声。
铸件全部采用树脂砂铸造,表面质量好。铸件表面无需打腻,使2BEA真空泵散热效果良好。
机械密封(选配件)全部采用进口件,充分保证2BEA系列真空泵在长时间运行过程中无泄漏。

2BEA水环真空泵性能表

型号

转速
(传动方式)
r/min

轴功率
kW

电机功率
kW

配用电机
380V

极限真空度
mbar

最大抽气速率 

泵重
(整机)
kg

安装尺寸

m3/h

m3/min

2BEA 102-0
点击查看性能曲线

1450(直联)
1300(皮带)
1625(皮带)
1750(皮带)

5.8
5.0
6.8
8.0

7.5
7.5
7.5
11

Y132M-4
Y132M-4
Y132M-4
Y160M-4

33mbar
(-0.098MPa)

235
210
270
290

3.9
3.5
4.5
4.8

295
311
311
346

泵头安装尺寸

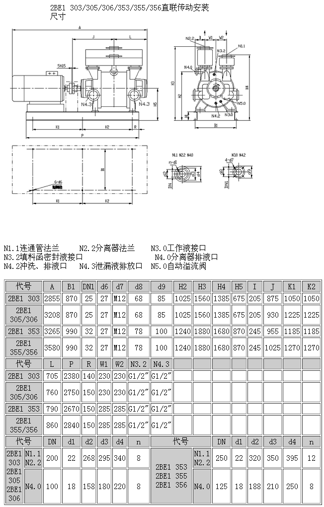
直联传动安装尺寸

2BEA 103-0
点击查看性能曲线

1450(直联)
1300(皮带)
1625(皮带)
1750(皮带)

8.2
7.0
9.9
11.1

11
11
15
15

Y132M-4
Y132M-4
Y132M-4
Y160M-4

33mbar
(-0.098MPa)

340
300
385
412

5.7
5.0
6.4
6.9

363
347
388
388

2BEA 151-0
点击查看性能曲线

1450(直联)
1100(皮带)
1300(皮带)
1625(皮带)
1750(皮带)

10.8
7.2
9.2
13.2
14.8

15
11
11
15
18.5

Y160L-4
Y160M-4
Y160M-4
Y160L-4
Y180M-4

33mbar
(-0.098MPa)

405
300
360
445
470

6.8
5.0
6.0
7.4
7.8

469
428
444
469
503

2BEA 152-0
点击查看性能曲线

1450(直联)
1100(皮带)
1300(皮带)
1625(皮带)
1750(皮带)

12.5
8.3
10.5
15.0
17.2

15
11
15
18.5
22

Y160L-4
Y160M-4
Y160L-4
Y180M-4
Y180L-4

33mbar
(-0.098MPa)

465
340
415
510
535

7.8
5.7
6.9
8.5
8.9

481
437
481
515
533

2BEA 153-0
点击查看性能曲线

1450(直联)
1100(皮带)
1300(皮带)
1625(皮带)
1750(皮带)

16.3
10.6
13.6
19.6
22.3

18.5
15
18.5
22
30

Y180M-4
Y160L-4
Y180M-4
Y180L-4
Y200L-4

33mbar
(-0.098MPa)

600
445
540
660
700

10.0
7.4
9.0
11.0
11.7

533
480
533
551
601

2BEA 202-0
点击查看性能曲线

970(直联)
790(皮带)
880(皮带)
1100(皮带)
1170(皮带)
1300(皮带)

17
14
16
22
25
30

22
18.5
18.5
30
30
37

Y200L2-6
Y180M-4
Y180M-4
Y200L-4
Y200L-4
Y225S-4

33mbar
(-0.098MPa)

760
590
670
850
890
950

12.7
9.8
11.2
14.2
14.8
15.8

875
850
850
940
945
995

泵头安装尺寸

直联传动安装尺寸

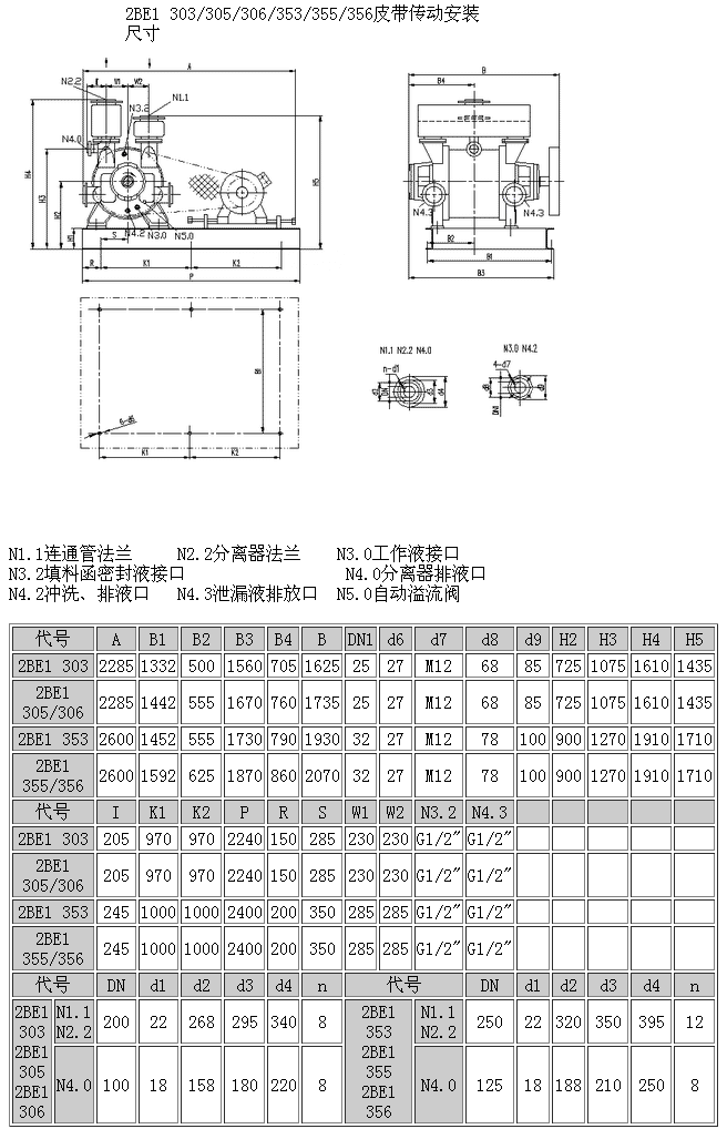
皮带传动安装尺寸

2BEA 203-0
点击查看性能曲线

970(直联)
790(皮带)
880(皮带)
1100(皮带)
1170(皮带)
1300(皮带)

27
20
23
33
37
45

37
30
30
45
45
55

Y250M-6
Y200L-4
Y200L-4
Y225M-4
Y225M-4
Y250M-4

33mbar
(-0.098MPa)

1120
880
1000
1270
1320
1400

18.7
14.7
16.7
21.2
22.0
23.3

1065
995
995
1080
1085
1170

2BEA 252-0
点击查看性能曲线

740(直联)
558(皮带)
660(皮带)
832(皮带)
885(皮带)
938(皮带)

38
26
31.8
49
54
60

45
30
37
55
75
75

Y280M-8
Y200L-4
Y225S-4
Y250M-4
Y280S-4
Y280S-4

33mbar
(-0.098MPa)

1700
1200
1500
1850
2000
2100

28.3
20.0
25.0
30.8
33.3
35.0

1693
1460
1515
1645
1805
1805

2BEA 253-0
点击查看性能曲线

740(直联)
560(皮带)
660(皮带)
740(皮带)
792(皮带)
833(皮带)
885(皮带)
938(皮带)

54
37
45
54
60
68
77
86

75
45
55
75
75
90
90
110

Y315M-8
Y225M-4
Y250M-4
Y280S-4
Y280S-4
Y280M-4
Y280M-4
Y315S-4

33mbar
(-0.098MPa)

2450
1750
2140
2450
2560
2700
2870
3020

40.8
29.2
35.7
40.8
42.7
45.0
47.8
50.3

2215
1695
1785
1945
1945
2055
2060
2295

2BEA 303-0
点击查看性能曲线

740(直联)
590(直联)
466(皮带)
521(皮带)
583(皮带)
657(皮带)
743(皮带)

98
65
48
54
64
78
99

110
75
55
75
75
90
132

Y315L2-8
Y315L2-10
Y250M-4
Y280S-4
Y280S-4
Y280M-4
Y315M-4

33mbar
(-0.098MPa)

4000
3200
2500
2800
3100
3580
4000

66.7
53.3
41.7
46.7
51.7
59.7
66.7

3200
3200
2645
2805
2810
2925
3290

泵头安装尺寸

直联传动安装尺寸

皮带传动安装尺寸

2BEA 305-1
2BEA 306-1
点击查看性能曲线

740(直联)
590(直联)
490(皮带)
521(皮带)
583(皮带)
657(皮带)
743(皮带)

102
70
55
59
68
84
103

132
90
75
75
90
110
132

Y355M1-8
Y355M1-10
Y280S-4
Y280S-4
Y280M-4
Y315S-4
Y315M-4

160mbar
(-0.085MPa)

4650
3750
3150
3320
3700
4130
4650

77.5
62.5
52.5
55.3
61.2
68.8
77.5

3800
3800
2950
3000
3100
3300
3450

2BEA 353-0
点击查看性能曲线

590(直联)
390(皮带)
415(皮带)
464(皮带)
520(皮带)
585(皮带)
620(皮带)
660(皮带)

121
65
70
81
97
121
133
152

160
75
90
110
132
160
160
185

Y355L2-10
Y280S-4
Y280M-4
Y315S-4
Y315M-4
Y315L1-4
Y315L1-4
Y315L2-4

33mbar
(-0.098MPa)

5300
3580
3700
4100
4620
5200
5500
5850

88.3
59.7
61.7
68.3
77.0
86.7
91.7
97.5

4750
3560
3665
3905
4040
4100
4100
4240

2BEA 355-1
2BEA 356-1
点击查看性能曲线

590(直联)
390(皮带)
435(皮带)
464(皮带)
520(皮带)
555(皮带)
585(皮带)
620(皮带)

130
75
86
90
102
115
130
145

160
90
110
110
132
132
160
185

Y355L2-10
Y280M-4
Y315S-4
Y315S-4
Y315M-4
Y315M-4
Y315L1-4
Y315L2-4

160mbar
(-0.085MPa)

6200
4180
4600
4850
5450
5800
6100
6350

103.3
69.7
76.7
80.8
90.8
98.3
101.7
105.8

5000
3920
4150
4160
4290
4300
4350
4450

注:以上所选电机功率可在大多工况下工作。如排气口压力较高(0.02~0.05MPa),则应相应加大电机功率;如2BEA真空泵正常工作时轴功率较小,也可选用接近轴功率的电机功率,如此更为节能。

注:水环真空泵的水温对其性能影响较大,而水环真空泵的性能曲线均为在15℃的水温条件下测得,因此在实际选用水环真空泵时应对水环真空泵的抽气速率进行修正。


2BEA系列水环真空泵耗水量

型号

标准转速

rpm

转速范围

rpm

在以下吸入压力(mbar,绝压)时的耗水量 m3/h

≤160

200

300

400

500

600

700

>800

2BEA 102-0

1450

1300~1750

1.1

1.1

0.73

0.73

0.73

0.73

0.36

0.36

2BEA 103-0

1450

1300~1750

1.4

1.4

0.93

0.93

0.93

0.93

0.47

0.47

2BEA 151-0

1450

1100~1750

1.5

1.5

1

1

1

1

0.5

0.5

2BEA 152-0

1450

1100~1750

1.7

1.7

1.13

1.13

1.13

1.13

0.57

0.57

2BEA 153-0

1450

1100~1750

1.9

1.9

1.27

1.27

1.27

1.27

0.63

0.63

2BEA 202-0

980

790~1300

2.1

2.1

1.4

1.4

1.4

1.4

0.7

0.7

2BEA 203-0

980

790~1300

2.6

2.6

1.73

1.73

1.73

1.73

0.87

0.87

2BEA 252-0

740

558~938

4.4

4.4

2.93

2.93

2.93

2.93

1.47

1.47

2BEA 253-0

740

560~938

5.2

5.2

3.47

3.47

3.47

3.47

1.73

1.73

2BEA 303-0

660

466~743

8.5

8.5

6.8

6.8

5.7

5.7

2.9

2.9

2BEA 303-2

660

466~743

-

9.1

7.9

6.7

5.6

4.4

3.2

2.0

2BEA 305-1

660

466~743

8.2

8.2

7.8

7.0

6.0

5.1

4.2

3.3

2BEA 306-1

660

466~743

8.2

8.2

7.8

7.0

6.0

5.1

4.2

3.3

2BEA 353-0

530

372~660

11.2

11.2

9.0

9.0

7.5

7.5

3.8

3.8

2BEA 353-2

530

372~660

-

12.1

10.5

9.0

7.4

5.8

4.3

2.7

2BEA 355-1

530

372~660

10.9

10.9

10.4

9.3

8.0

6.7

5.5

4.3

2BEA 356-1

530

372~660

10.9

10.9

10.4

9.3

8.0

6.7

5.5

4.3

注:1、工作液种类:通常情况下用水,标准温度15℃(范围0℃至65℃);或其温度至少要低于其沸点10℃。
2、以上耗水量为在标准转速下所需的耗水量,对不同转速,数据表中的流量值应乘以(实际转速÷标准转速)
3、如需增加工作液流量,则数据表中的流量加倍。

 

 
COPYRIGHT © 2012淄博那迪姆真空泵有限公司 ALL RIGHTS RESERVED
地址:
淄博市博山区东外环  电话:0533-4512921 备案号:鲁ICP备12019784号-1